A VFD braking solution is used to handle the regenerative energy generated during motor deceleration or stopping, preventing excessive DC bus voltage and ensuring safe and efficient system operation. Common solutions include dynamic braking and regenerative braking, which can be selected based on load characteristics, energy efficiency, and cost requirements.
In a variable frequency speed control system, motor deceleration and shutdown are achieved by gradually reducing the frequency. At the instant the frequency decreases, the synchronous speed of the motor drops accordingly, while the rotor speed remains unchanged due to mechanical inertia. When the synchronous speed w_1 becomes lower than the rotor speed w, the phase of the rotor current shifts by nearly 180 degrees, causing the motor to transition from motoring to generating mode. Simultaneously, the torque on the motor shaft becomes braking torque T_e, rapidly reducing the motor speed, placing the motor in a regenerative braking state. The regenerated electrical energy P from the motor is fed back into the DC circuit through full-wave rectification via the freewheeling diodes. Since the electrical energy in the DC circuit cannot be fed back to the grid through the rectifier bridge, it is absorbed only by the inverter’s own capacitor. Although other parts can consume electrical energy, the capacitor still accumulates charge for a short period, forming a “pumped voltage,” causing the DC voltage Ud to rise. Excessive DC voltage can damage various components. Therefore, measures must be taken to handle this regenerated energy. Our company offers the following two solutions.
Solution A: Dynamic Braking
The This method consumes regenerative energy through a braking resistor. Its working principle involves using a chopper (also known as a braking unit) to control the braking resistor in absorbing energy within the DC circuit, thereby achieving rapid braking. This solution features a simple structure, low cost, and high braking torque, and it does not cause pollution to the power grid. However, it cannot recover regenerative energy. It is suitable for scenarios sensitive to cost or with low requirements for grid stability, such as in standard centrifuges or planing machines.
Solution B: Regenerative Braking
This method inverts the regenerative energy into AC power at the same frequency and phase to feed it back to the grid. By employing active inversion technology, it enables energy recycling, improves system efficiency, and supports four-quadrant operation. However, it requires a stable grid voltage (with fluctuations not exceeding 15%); otherwise, commutation failure may easily occur. There is also a risk of harmonic pollution, and the control complexity and cost are relatively high. It is suitable for applications that require frequent braking and have a stable grid supply, such as potential energy loads in cranes and elevators.
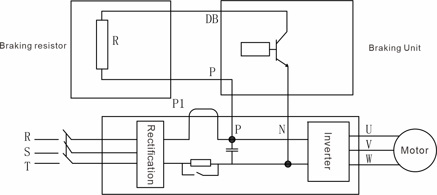
The method used in dynamic braking involves adding a discharging resistor on the DC side of the VFD to consume the regenerative energy through a power resistor, thereby achieving braking (as shown in Figure). This is the most direct way to handle regenerative energy, where the energy is dissipated as heat through a dedicated dynamic braking circuit in the resistor. Hence, it is also referred to as “resistor braking,” and it consists of two components: the braking unit and the braking resistor.

1. Braking Unit
The function of the braking unit is to activate the energy dissipation circuit when the DC bus voltage U_d exceeds a preset threshold (i.e., the chopping voltage), allowing the DC circuit to release energy in the form of heat through the braking resistor. Braking units can be classified into two types: built-in and external. The former is suitable for general-purpose low-power VFDs, while the latter is used for high-power VFDs or operating conditions with special braking requirements. In principle, there is no difference between the two; both serve as a “switch” to connect the braking resistor, comprising a power transistor, a voltage sampling and comparison circuit, and a drive circuit.
1.2. Braking Resistor
A braking resistor is a component used to dissipate the regenerative energy of a motor in the form of heat. It has two key parameters: resistance value and power capacity. Based on different applications, our company has developed a variety of braking resistors with distinct performance characteristics. Please refer to the braking resistor comparison table for more details.
The dynamic braking process is as follows:
2.1. When the motor decelerates or reverses under an external force (including being driven by a load), it operates in a generating state, feeding energy back to the DC bus and causing the bus voltage to rise;
2.2. When the DC bus voltage reaches the chopping voltage of the braking unit, the power transistor in the braking unit is activated, allowing current to flow through the braking resistor;
2.3. The braking resistor dissipates electrical energy as heat, reducing the motor speed and consequently lowering the DC bus voltage;
2.4. When the DC bus voltage drops to the braking unit’s cut-off value, the power transistor in the braking unit turns off, stopping current flow through the braking resistor;
2.5. The DC bus voltage is continuously monitored, and the braking unit repeats this ON/OFF process to regulate the bus voltage, ensuring normal system operation.
The advantages of dynamic braking (resistor braking) are its simple structure, low cost, high braking torque, and no pollution to the power grid. However, it cannot recover regenerative energy, which results in significant waste of regenerative energy during frequent braking and requires an increased capacity of the braking resistor.
4.1. First, estimate the braking torque.
Generally, during motor braking, there is a certain amount of internal loss within the motor, approximately 18% to 22% of the rated torque. Therefore, if the calculated result falls below this range, there is no need to connect a braking device.
4.2. Next, calculate the resistance value of the braking resistor.
During the operation of the braking unit, the fluctuation of the DC bus voltage depends on the constant RC, where R is the resistance value of the braking resistor, and C is the capacitance of the electrolytic capacitor inside the VFD. Here, the braking unit’s operating voltage is typically set to 710V.
4.3. Then, when selecting the braking unit, the maximum operating current of the braking unit is the sole criterion, and its calculation formula is as follows:
4.4. Finally, calculate the rated power of the braking resistor.
Since the braking resistor operates on a short-time duty cycle, based on its characteristics and technical specifications, we know that the nominal power of the resistor will be less than the power consumed when energized. This can generally be calculated using the following formula: Nominal power of braking resistor = Derating factor of braking resistor × Average power consumed during braking × Braking utilization rate (%).
Comparison table for different series of Braking Unit.
| Main Characteristics | LN Series 220V | LN Series 400V | GN Series |
|---|---|---|---|
| Inverter Power Rating (Pr) | 7.5KW to 90KW | 7.5KW to 132KW | 37KW to 450KW |
| Maximum braking current (I) | 50A to 200A | 40A to 200A | 75A to 450A |
| Repetitive braking power (Pm) | Based on Pr and ED/duty(%) | Based on Pr and ED/duty(%) | Based on Pr and ED/duty(%) |
| Cycle time (up to 600s on request) | 120s standard | 120s standard | 120s standard |
| ED / Cycle duty (higher than 40% on request) | up to 20% | up to 20% | up to 40% |
| Mains system voltage (U) @50/60Hz | 220/240V±10% | 380/415V±10% | 380/415V±10% 480/500V±10% 660/690V±10% |
| Default chopper voltage (Adjustable) | DC 320V±5V | DC 660V±5V | DC 660V±5V / DC 830V±5V / DC 1150V±5V |
| Dielectric voltage | 3,000VAC @ 1 min | 3,000VAC @ 1 min | 3,000VAC @ 1 min |
| Insulation resistance | >20MΩ / body | >20MΩ / body | >20MΩ / body |
| Resistor type | Serial number | Power range (W) | Resistance | Cabinet material | IP | With fan | Features | Scenarios |
|---|---|---|---|---|---|---|---|---|
| Wire wound resistor | RXG20 | 50–15,000 | Customized | No | IP00 | No | Low IP level, inexpensive cost, good heat dissipation | Elevators, cranes, frequency converters |
| Aluminum housing resistor | RXLG | 20–11,000 | Customized | No | IP21/IP65 | No | High IP level, compact structure, not suitable for prolonged operation | Elevators, cranes, frequency converters, injection molding machines, CNC machines, industrial robots, electric vehicles, scooters |
| Compact aluminum housing resistor | RXLG | IP21/IP65 | No | Compact structure, high current, low resistance | Electric scooter | |||
| Heat sink resistor | RAD | IP21 | High current, low resistance, aluminum heat sink, modular, multiple units can be combined into a compact load | Compact load for braking applications where space is limited |
| Resistor cabinet type | Serial number | Power range (KW) | Resistor type | Cabinet material | IP | With fan | Features | Scenarios |
|---|---|---|---|---|---|---|---|---|
| Multi-united aluminum housing resistor | ARXU | 15-50 | Aluminum housing resistor | Cold-rolled steel sheet | IP21/IP54 | Small fan | High IP level, junction box is waterproof | Elevators, cranes, frequency converters |
| STL mesh stainless steel cabinet | STL | 6-250 | Mesh stainless steel resistor | 304/316 | IP54 | No for 6-10KW, Yes for 12-200KW | Waterproof and salt spray resistant | Heavy-duty outdoor applications such as port cranes and tower cranes, requiring high protection levels and compatible with various brands of frequency converters |
| STC mesh stainless steel cabinet | STC | 6-250 | Mesh stainless steel resistor | Galvanized steel sheet | IP54 | No for 6-10KW, Yes for 12-200KW | With some waterproof capability, but not suitable for salt spray | Long-term heavy-load indoor and outdoor use, compatible with various brands of frequency converters |
| Ceramic resistor cabinet | DBR | 9-100 | Wire wound resistor | Galvanized steel sheet | IP54 | No | Compact structure, high current, low resistance, strong overload capacity, no fan required, high reliability and protection level | Indoor and outdoor heavy loads, compatible with various brands of frequency converters. Complicated winding and low efficiency not recommended |
| Blade-type resistance box | DBR | 1-200 | Blade-type resistor | Galvanized steel sheet | IP00 | No / Yes if needed | Compact structure, high current, low resistance, strong overload capacity, no fan required, long life cycle | Indoor heavy-load operation, high resistance not supported |
| STB mesh stainless steel box | STB | 1-27 | Mesh stainless steel resistor | Cold-rolled steel sheet | IP00 | No | Low protection level, good heat dissipation | Long-term heavy-load indoor use, compatible with various brands of frequency converters |
| Ceramic resistor box | BRB | 2-36 | Wire wound resistor | Cold-rolled steel sheet | IP00 | No for below 20KW, Yes for 20-36KW | Low protection level, poor shock resistance, good heat dissipation | Long-term heavy-load indoor use, compatible with various brands of frequency converters |
| Elevator-specific stainless steel resistance box | EVR | 3-9 | Mesh stainless steel resistor | Galvanized steel sheet | IP00 | No | Compact structure, good heat dissipation, partially water resistant, waterproof junction box | Elevator-specific |
Regenerative braking, also known as regenerative feed back braking, operates by utilizing active inversion technology to convert the regenerative energy generated during motor deceleration/stopping into AC power that matches the grid’s frequency, phase, and voltage. This energy is then directly fed back into the grid, enabling energy recycling and fundamentally resolving the DC bus “voltage pumping” issue while achieving energy savings. As a high end braking solution in variable frequency drive (VFD) systems, it supports four-quadrant motor operation and is well-suited for industrial applications involving potential energy loads or frequent braking.

The regenerative braking system mainly consists of four parts: a regenerative unit (active inverter), a filter circuit, a detection and control circuit, and a protection circuit. Some integrated products integrate the core module into a regenerative braking cabinet, suitable for high-power frequency converter scenarios.
The core is a high-power inverter bridge (composed of power devices such as IGBTs), which is key to converting DC power to AC power. It precisely controls the frequency, phase, and amplitude of the inverted voltage to match grid parameters.
Includes components like reactors and capacitors, used to suppress harmonics generated during inverting process, reduce harmonic pollution to the grid, and stabilize the feedback current.
Real-time detection of grid voltage, frequency, phase, and inverter DC bus voltage. A closed-loop control algorithm adjusts the inverter bridge’s operating state to ensure the synchronization and stability of the power feedback.
Features protection functions such as overvoltage, overcurrent, phase loss, phase error, and grid fluctuation exceedance. When grid voltage fluctuations exceed 15% or a fault occurs, it immediately cuts off the feedback circuit to prevent commutation failure, device damage, and the spread of grid faults.
1.1. When the motor decelerates, stops, or releases potential energy (e.g., a crane lowering a load, an elevator descending), it maintains a high speed due to mechanical inertia. The synchronous speed is lower than the rotor speed, and the motor enters a generator state. The regenerated electrical energy is rectified by the freewheeling diode and fed back to the DC bus of the frequency converter, causing the bus voltage Ud to rise.
1.2. When the DC bus voltage reaches the start-up threshold of the regenerative unit, the detection circuit captures the voltage, frequency, and phase signals of the power grid in real time, and the control circuit drives the inverter bridge of the regenerative unit to work.
1.3. The inverter bridge converts the regenerative electrical energy on the DC bus into three-phase AC power with the same frequency, phase, and amplitude as the power grid. After the filter circuit filters out harmonics, the electrical energy is fed back to the power grid, achieving energy recovery.
1.4. When the DC bus voltage drops to the stop threshold of the regenerative unit, the inverter bridge stops working, and the feedback process is interrupted. If the bus voltage rises again, the above process is repeated, always stabilizing the DC bus voltage within a safe range.
2.1. Energy Generation: The motor operates in a regenerative braking state, feeding regenerative energy back to the VFD’s DC circuit, causing the DC bus voltage to continuously rise.
2.2. Threshold Trigger: When the bus voltage reaches the preset starting voltage of the feedback unit, the detection circuit initiates real-time sampling of grid parameters, and the control circuit enters the working state.
2.3. Active Inversion: The inverter bridge converts DC power into AC power conforming to grid standards based on the grid sampling signal, and after filtering, it is fed back to the grid.
2.4. Voltage Stabilization: As the regenerative energy is continuously fed back, the DC bus voltage gradually decreases. When it drops to the stop threshold, the regenerative unit ceases inversion.
2.5. Cyclic Monitoring: The system continuously monitors the bus voltage. If it reaches the startup threshold again, the inversion and feedback process repeats, dynamically balancing the bus voltage to ensure the safe operation of the VFD and motor system.
3.1. Energy Recovery, High Efficiency and Energy Saving: Regenerated electrical energy is directly fed back to the grid and can be reused. Compared with dynamic braking, there is no energy waste. In scenarios with frequent braking and large inertia/potential energy loads, the energy-saving effect is significant (the energy saving rate increases with the braking frequency);
3.2. No Heat Loss, Reduced Equipment Thermal Load: Since no resistors are used for energy dissipation, substantial heat generation is avoided. This eliminates the need for additional cooling equipment, improves the equipment operating environment, and reduces cooling costs.
3.3. Stable Braking Torque, Supports Four-Quadrant Operation: The torque output is stable during braking, enabling four-quadrant operation (motor forward rotation, reverse rotation, motoring, and braking). Suitable for cranes, elevators, mine hoists, and other loads requiring frequent forward and reverse rotation and potential energy lifting;
3.4. Low Long-Term Operating Costs: Although the initial investment is higher, the energy-saving benefits offset the equipment cost over the entire life cycle. Furthermore, there is no need to replace the braking resistor, resulting in lower maintenance costs.
4.1. Core Selection Basis
Grid Parameters: Confirm the grid voltage level, number of phases, and voltage fluctuation range to ensure compliance with the ±15% stability requirement;
Regenerative Power: Calculate the peak and average power of the regenerated energy based on the motor’s rated power, braking frequency, and deceleration time, and select a regenerative unit with matching power;
Load Characteristics: For potential energy loads, consider the regenerative power corresponding to the maximum discharge speed, reserving a power margin of 1.2 to 1.5 times;
Harmonic Mitigation Requirements: Select appropriate reactors and filters according to grid-side harmonic standards to ensure harmonic emissions meet industrial grid requirements.
4.2. Precautions for Use
4.2.1. During installation, configure an isolating circuit breaker between the regenerative unit and the grid for fault maintenance. Ensure the wiring to the VFD’s DC bus has sufficient wire gauge to minimize line losses.
4.2.2. Periodically inspect the power components and detection elements of the regenerative unit, replacing aging parts promptly to prevent device failures from causing grid faults.
4.2.3. If there are power grid fluctuations, an additional power grid voltage stabilizer can be configured to improve system adaptability.
4.2.4. The regenerative braking system requires separate grounding, independent of the inverter’s grounding system, to prevent interference.
Regenerative braking is suitable for industrial scenarios with stable power grids, frequent braking/reversal, and high energy-saving requirements. It is primarily compatible with potential energy loads and high-inertia loads, specifically including:
5.1. Lifting equipment: elevators, escalators, cranes, tower cranes, mine hoists, chain hoists, hydraulic lifting platforms;
5.2. High-inertia transmission equipment: large centrifuges, rolling mills, oilfield pumping units, port gantry cranes;
5.3. Frequent forward/reverse equipment: machine tool spindles, metallurgical conveying equipment, mining scraper conveyors.
Unsuitable Scenarios: Operating conditions with significant grid voltage fluctuations or severe harmonic pollution; general loads sensitive to cost and with low braking frequency (e.g., small fans, pumps, standard conveyor belts); standalone VFD systems without grid feedback capabilities.